Подшипник UCFX05 (CX)

Технические характеристики

Обозначение : UCFX05

Производитель : CX

Диаметр внутренний, мм : 25

Высота, мм : 38,1

Технические данные из каталога производителя :

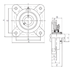
Внутренний диаметр (d) - 25 мм.

Размер (Z) - 40,2

Размер (A) - 108 мм.

Размер (B) - 38,1 мм.

Размер (C) - 18 мм.

Размер (E) - 83 мм.

Размер (F) - 15,9 мм.

Размер (G) - 13 мм.

Размер (L) - 30

Размер (S) - 12 мм.

Болт (G) - M10

Масса - 1 Кг

Количество дорожек качения - 1

Уплотнение - Есть

Цены указаны ознакомительные, для уточнения цены и наличия просим связаться с нами по телефону, или отправить заявку на почту - sales@specprompodshipnik.ru или по тел.: +7(499) 369-70-54

Возврат к списку