Подшипник UCFS328 (KOYO)

Подшипник UCFS328 (KOYO)

Технические характеристики

Обозначение : UCFS328

Производитель : KOYO

Диаметр внутренний, мм : 140

Технические данные из каталога производителя :

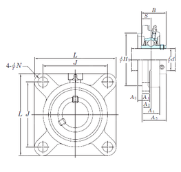
Внутренний диаметр (d) - 140 мм.

Размер (H3) - 400

Размер (A4) - 95

Размер (A5) - 131

Размер (A1) - 55 мм.

Размер (B) - 145 мм.

Размер (J) - 350 мм.

Размер (L) - 450

Размер (N) - 41 мм.

Размер (S) - 59 мм.

Болт (G) - M36

Размер (A2) - 45

Размер (A3) - 30

Масса - 94 Кг

Грузоподъемность динамическая (C) - 253 кН

Грузоподъемность статическая (C0) - 246 кН

Расчетный коэффициент (f0) - 13,6

Количество дорожек качения - 1

Уплотнение - Есть

Цены указаны ознакомительные, для уточнения цены и наличия просим связаться с нами по телефону, или отправить заявку на почту - sales@specprompodshipnik.ru или по тел.: +7(499) 369-70-54

Возврат к списку