Подшипник UCFS326 (NACHI)

Подшипник UCFS326 (NACHI)

Технические характеристики

Обозначение : UCFS326

Производитель : NACHI

Диаметр внутренний, мм : 130

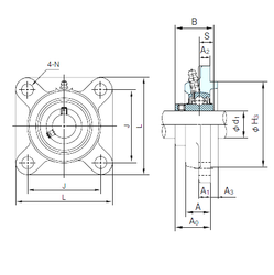
Технические данные из каталога производителя :

Внутренний диаметр (d1) - 130

Размер (H3) - 360

Размер (A0) - 116

Размер (A) - 85 мм.

Размер (A1) - 45 мм.

Размер (B) - 135 мм.

Размер (J) - 320 мм.

Размер (L) - 410

Размер (N) - 41 мм.

Размер (S) - 54 мм.

Болт (G) - M36

Размер (A2) - 35

Размер (A3) - 30

Масса - 67.8 Кг

Количество дорожек качения - 1

Уплотнение - Есть

Цены указаны ознакомительные, для уточнения цены и наличия просим связаться с нами по телефону, или отправить заявку на почту - sales@specprompodshipnik.ru или по тел.: +7(499) 369-70-54

Возврат к списку