Подшипник UCFS324 (KOYO)

Подшипник UCFS324 (KOYO)

Технические характеристики

Обозначение : UCFS324

Производитель : KOYO

Диаметр внутренний, мм : 120

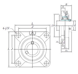
Технические данные из каталога производителя :

Внутренний диаметр (d) - 120 мм.

Размер (H3) - 330

Размер (A4) - 80

Размер (A5) - 110

Размер (A1) - 40 мм.

Размер (B) - 126 мм.

Размер (J) - 290 мм.

Размер (L) - 370

Размер (N) - 41 мм.

Размер (S) - 51 мм.

Болт (G) - M36

Размер (A2) - 35

Размер (A3) - 30

Масса - 50,6 Кг

Грузоподъемность динамическая (C) - 207 кН

Грузоподъемность статическая (C0) - 185 кН

Расчетный коэффициент (f0) - 13,5

Количество дорожек качения - 1

Уплотнение - Есть

Цены указаны ознакомительные, для уточнения цены и наличия просим связаться с нами по телефону, или отправить заявку на почту - sales@specprompodshipnik.ru или по тел.: +7(499) 369-70-54

Возврат к списку