Подшипник UCFS322 (NACHI)

Подшипник UCFS322 (NACHI)

Технические характеристики

Обозначение : UCFS322

Производитель : NACHI

Диаметр внутренний, мм : 110

Технические данные из каталога производителя :

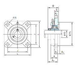
Внутренний диаметр (d1) - 110

Размер (H3) - 300

Размер (A0) - 106

Размер (A) - 71 мм.

Размер (A1) - 35 мм.

Размер (B) - 117 мм.

Размер (J) - 266 мм.

Размер (L) - 340

Размер (N) - 41 мм.

Размер (S) - 46 мм.

Болт (G) - M36

Размер (A2) - 35

Размер (A3) - 25

Масса - 36.8 Кг

Количество дорожек качения - 1

Уплотнение - Есть

Цены указаны ознакомительные, для уточнения цены и наличия просим связаться с нами по телефону, или отправить заявку на почту - sales@specprompodshipnik.ru или по тел.: +7(499) 369-70-54

Возврат к списку