Подшипник UCFS321 (SNR)

Подшипник UCFS321 (SNR)

Технические характеристики

Обозначение : UCFS321

Производитель : SNR

Диаметр внутренний, мм : 105

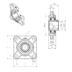
Технические данные из каталога производителя :

Внутренний диаметр (d) - 105 мм.

Размер (H3) - 260

Размер (A4) - 74

Размер (e) - 39

Размер (s) - 44 мм.

Размер (A) - 94 мм.

Размер (A1) - 32 мм.

Размер (B1) - 112 мм.

Размер (D1) - 140,5 мм.

Размер (J) - 242 мм.

Размер (L) - 310

Размер (N) - 38 мм.

Резьба (G) - M10x1

Размер (A2) - 107

Масса - 29,8 Кг

Грузоподъемность динамическая (C) - 182 кН

Грузоподъемность статическая (C0) - 155 кН

Количество дорожек качения - 1

Уплотнение - Есть

Цены указаны ознакомительные, для уточнения цены и наличия просим связаться с нами по телефону, или отправить заявку на почту - sales@specprompodshipnik.ru или по тел.: +7(499) 369-70-54

Возврат к списку