Подшипник UCFS321 (KOYO)

Подшипник UCFS321 (KOYO)

Технические характеристики

Обозначение : UCFS321

Производитель : KOYO

Диаметр внутренний, мм : 105

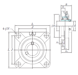
Технические данные из каталога производителя :

Внутренний диаметр (d) - 105 мм.

Размер (H3) - 260

Размер (A4) - 74

Размер (A5) - 107

Размер (A1) - 32 мм.

Размер (B) - 112 мм.

Размер (J) - 242 мм.

Размер (L) - 310

Размер (N) - 38 мм.

Размер (S) - 44 мм.

Болт (G) - M33

Размер (A2) - 39

Размер (A3) - 20

Масса - 32,7 Кг

Грузоподъемность динамическая (C) - 184 кН

Грузоподъемность статическая (C0) - 153 кН

Расчетный коэффициент (f0) - 13,2

Количество дорожек качения - 1

Уплотнение - Есть

Цены указаны ознакомительные, для уточнения цены и наличия просим связаться с нами по телефону, или отправить заявку на почту - sales@specprompodshipnik.ru или по тел.: +7(499) 369-70-54

Возврат к списку