Подшипник UCFS320 (NACHI)

Подшипник UCFS320 (NACHI)

Технические характеристики

Обозначение : UCFS320

Производитель : NACHI

Диаметр внутренний, мм : 100

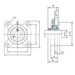
Технические данные из каталога производителя :

Внутренний диаметр (d1) - 100

Размер (H3) - 260

Размер (A0) - 105

Размер (A) - 74 мм.

Размер (A1) - 32 мм.

Размер (B) - 108 мм.

Размер (J) - 242 мм.

Размер (L) - 310

Размер (N) - 38 мм.

Размер (S) - 42 мм.

Болт (G) - M33

Размер (A2) - 39

Размер (A3) - 20

Масса - 27.1 Кг

Количество дорожек качения - 1

Уплотнение - Есть

Цены указаны ознакомительные, для уточнения цены и наличия просим связаться с нами по телефону, или отправить заявку на почту - sales@specprompodshipnik.ru или по тел.: +7(499) 369-70-54

Возврат к списку