Подшипник UCFS318-56 (KOYO)

Подшипник UCFS318-56 (KOYO)

Технические характеристики

Обозначение : UCFS318-56

Производитель : KOYO

Диаметр внутренний, мм : 88,9

Технические данные из каталога производителя :

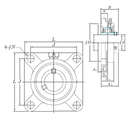
Внутренний диаметр (d) - 88,9 мм.

Размер (H3) - 240

Размер (A4) - 56

Размер (A5) - 80

Размер (A1) - 30 мм.

Размер (B) - 96 мм.

Размер (J) - 216 мм.

Размер (L) - 280

Размер (N) - 35 мм.

Размер (S) - 40 мм.

Болт (G) - M30

Размер (A2) - 24

Размер (A3) - 20

Масса - 21,3 Кг

Грузоподъемность динамическая (C) - 143 кН

Грузоподъемность статическая (C0) - 107 кН

Расчетный коэффициент (f0) - 13,3

Количество дорожек качения - 1

Уплотнение - Есть

Цены указаны ознакомительные, для уточнения цены и наличия просим связаться с нами по телефону, или отправить заявку на почту - sales@specprompodshipnik.ru или по тел.: +7(499) 369-70-54

Возврат к списку