Подшипник UCFS317 (SNR)

Подшипник UCFS317 (SNR)

Технические характеристики

Обозначение : UCFS317

Производитель : SNR

Диаметр внутренний, мм : 85

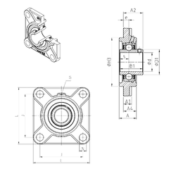
Технические данные из каталога производителя :

Внутренний диаметр (d) - 85 мм.

Размер (H3) - 220

Размер (A4) - 54

Размер (e) - 24

Размер (s) - 40 мм.

Размер (A) - 74 мм.

Размер (A1) - 27 мм.

Размер (B1) - 96 мм.

Размер (D1) - 114 мм.

Размер (J) - 204 мм.

Размер (L) - 260

Размер (N) - 31 мм.

Резьба (G) - M10x1

Размер (A2) - 80

Масса - 17,3 Кг

Грузоподъемность динамическая (C) - 132,6 кН

Грузоподъемность статическая (C0) - 96,5 кН

Количество дорожек качения - 1

Уплотнение - Есть

Цены указаны ознакомительные, для уточнения цены и наличия просим связаться с нами по телефону, или отправить заявку на почту - sales@specprompodshipnik.ru или по тел.: +7(499) 369-70-54

Возврат к списку