Подшипник UCFS317 (NACHI)

Подшипник UCFS317 (NACHI)

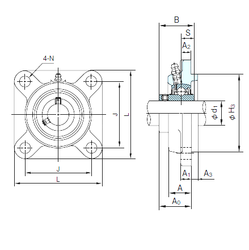
Технические характеристики

Обозначение : UCFS317

Производитель : NACHI

Диаметр внутренний, мм : 85

Технические данные из каталога производителя :

Внутренний диаметр (d1) - 85

Размер (H3) - 220

Размер (A0) - 80

Размер (A) - 54 мм.

Размер (A1) - 27 мм.

Размер (B) - 96 мм.

Размер (J) - 204 мм.

Размер (L) - 260

Размер (N) - 31 мм.

Размер (S) - 40 мм.

Болт (G) - M27

Размер (A2) - 24

Размер (A3) - 20

Масса - 17.2 Кг

Количество дорожек качения - 1

Уплотнение - Есть

Цены указаны ознакомительные, для уточнения цены и наличия просим связаться с нами по телефону, или отправить заявку на почту - sales@specprompodshipnik.ru или по тел.: +7(499) 369-70-54

Возврат к списку