Подшипник UCFS317 (KOYO)

Подшипник UCFS317 (KOYO)

Технические характеристики

Обозначение : UCFS317

Производитель : KOYO

Диаметр внутренний, мм : 85

Технические данные из каталога производителя :

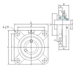
Внутренний диаметр (d) - 85 мм.

Размер (H3) - 220

Размер (A4) - 54

Размер (A5) - 80

Размер (A1) - 27 мм.

Размер (B) - 96 мм.

Размер (J) - 204 мм.

Размер (L) - 260

Размер (N) - 31 мм.

Размер (S) - 40 мм.

Болт (G) - M27

Размер (A2) - 24

Размер (A3) - 20

Масса - 17,3 Кг

Грузоподъемность динамическая (C) - 133 кН

Грузоподъемность статическая (C0) - 96,8 кН

Расчетный коэффициент (f0) - 13,3

Количество дорожек качения - 1

Уплотнение - Есть

Цены указаны ознакомительные, для уточнения цены и наличия просим связаться с нами по телефону, или отправить заявку на почту - sales@specprompodshipnik.ru или по тел.: +7(499) 369-70-54

Возврат к списку