Подшипник UCFS316 (SNR)

Подшипник UCFS316 (SNR)

Технические характеристики

Обозначение : UCFS316

Производитель : SNR

Диаметр внутренний, мм : 80

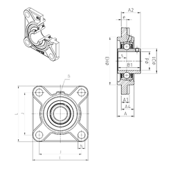
Технические данные из каталога производителя :

Внутренний диаметр (d) - 80 мм.

Размер (H3) - 210

Размер (A4) - 48

Размер (e) - 18

Размер (s) - 34 мм.

Размер (A) - 68 мм.

Размер (A1) - 27 мм.

Размер (B1) - 86 мм.

Размер (D1) - 107,9 мм.

Размер (J) - 196 мм.

Размер (L) - 250

Размер (N) - 31 мм.

Резьба (G) - M10x1

Размер (A2) - 70

Масса - 14,9 Кг

Грузоподъемность динамическая (C) - 122,85 кН

Грузоподъемность статическая (C0) - 86,5 кН

Количество дорожек качения - 1

Уплотнение - Есть

Цены указаны ознакомительные, для уточнения цены и наличия просим связаться с нами по телефону, или отправить заявку на почту - sales@specprompodshipnik.ru или по тел.: +7(499) 369-70-54

Возврат к списку