Подшипник UCFL215 (NACHI)

Подшипник UCFL215 (NACHI)

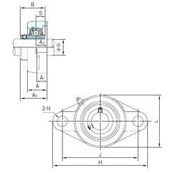
Технические характеристики

Обозначение : UCFL215

Производитель : NACHI

Диаметр внутренний, мм : 75

Технические данные из каталога производителя :

Внутренний диаметр (d1) - 75

Размер (A0) - 78.5

Размер (A) - 56 мм.

Размер (A1) - 24 мм.

Размер (B) - 77.8 мм.

Размер (H) - 275 мм.

Размер (J) - 225 мм.

Размер (L) - 165

Размер (L1) - 168 мм.

Размер (N) - 23 мм.

Размер (S) - 33.3 мм.

Болт (G) - M20

Размер (A2) - 34

Масса - 6.5 Кг

Количество дорожек качения - 1

Уплотнение - Есть

Цены указаны ознакомительные, для уточнения цены и наличия просим связаться с нами по телефону, или отправить заявку на почту - sales@specprompodshipnik.ru или по тел.: +7(499) 369-70-54

Возврат к списку