Подшипник UCFL215 (KOYO)

Подшипник UCFL215 (KOYO)

Технические характеристики

Обозначение : UCFL215

Производитель : KOYO

Диаметр внутренний, мм : 75

Технические данные из каталога производителя :

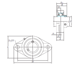
Внутренний диаметр (d) - 75 мм.

Размер (A0) - 78,5

Размер (A) - 56 мм.

Размер (A1) - 20 мм.

Размер (B) - 77,8 мм.

Размер (H) - 275 мм.

Размер (J) - 225 мм.

Размер (L) - 165

Размер (N) - 23 мм.

Размер (S) - 33,3 мм.

Размер (A2) - 34

Масса - 6,4 Кг

Грузоподъемность статическая (C0) - 67,4 кН

Расчетный коэффициент (f0) - 48,3

Количество дорожек качения - 1

Уплотнение - Есть

Цены указаны ознакомительные, для уточнения цены и наличия просим связаться с нами по телефону, или отправить заявку на почту - sales@specprompodshipnik.ru или по тел.: +7(499) 369-70-54

Возврат к списку