Подшипник UCFL214 (NACHI)

Подшипник UCFL214 (NACHI)

Технические характеристики

Обозначение : UCFL214

Производитель : NACHI

Диаметр внутренний, мм : 70

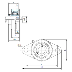
Технические данные из каталога производителя :

Внутренний диаметр (d1) - 70

Размер (A0) - 75.4

Размер (A) - 54 мм.

Размер (A1) - 24 мм.

Размер (B) - 74.6 мм.

Размер (H) - 265 мм.

Размер (J) - 216 мм.

Размер (L) - 160

Размер (L1) - 163 мм.

Размер (N) - 23 мм.

Размер (S) - 30.2 мм.

Болт (G) - M20

Размер (A2) - 31

Масса - 6.0 Кг

Количество дорожек качения - 1

Уплотнение - Есть

Цены указаны ознакомительные, для уточнения цены и наличия просим связаться с нами по телефону, или отправить заявку на почту - sales@specprompodshipnik.ru или по тел.: +7(499) 369-70-54

Возврат к списку