Подшипник UCFL214 (CX)

Подшипник UCFL214 (CX)

Технические характеристики

Обозначение : UCFL214

Производитель : CX

Диаметр внутренний, мм : 70

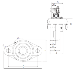
Технические данные из каталога производителя :

Внутренний диаметр (d) - 70 мм.

Ширина (высота) (B) - 74,6 мм.

Размер (Z) - 75,4

Размер (A) - 265 мм.

Размер (D) - 160 мм.

Размер (E) - 216 мм.

Размер (F) - 30,2 мм.

Размер (G) - 22 мм.

Размер (K) - 31 мм.

Размер (L) - 54

Размер (S) - 23 мм.

Болт (G) - M20

Масса - 5,11 Кг

Количество дорожек качения - 1

Уплотнение - Есть

Цены указаны ознакомительные, для уточнения цены и наличия просим связаться с нами по телефону, или отправить заявку на почту - sales@specprompodshipnik.ru или по тел.: +7(499) 369-70-54

Возврат к списку