Подшипник UCFL213E (KOYO)

Подшипник UCFL213E (KOYO)

Технические характеристики

Обозначение : UCFL213E

Производитель : KOYO

Диаметр внутренний, мм : 65

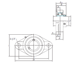
Технические данные из каталога производителя :

Внутренний диаметр (d) - 65 мм.

Размер (A0) - 69,7

Размер (A) - 50 мм.

Размер (A1) - 20 мм.

Размер (B) - 65,1 мм.

Размер (H) - 258 мм.

Размер (J) - 210 мм.

Размер (L) - 155

Размер (N) - 16,5 мм.

Размер (S) - 25,4 мм.

Размер (A2) - 30

Масса - 5,2 Кг

Грузоподъемность динамическая (C) - 57,2 кН

Грузоподъемность статическая (C0) - 40,1 кН

Расчетный коэффициент (f0) - 14,4

Количество дорожек качения - 1

Уплотнение - Есть

Цены указаны ознакомительные, для уточнения цены и наличия просим связаться с нами по телефону, или отправить заявку на почту - sales@specprompodshipnik.ru или по тел.: +7(499) 369-70-54

Возврат к списку