Подшипник UCFL213 (CX)

Подшипник UCFL213 (CX)

Технические характеристики

Обозначение : UCFL213

Производитель : CX

Диаметр внутренний, мм : 65

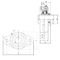
Технические данные из каталога производителя :

Внутренний диаметр (d) - 65 мм.

Ширина (высота) (B) - 65,1 мм.

Размер (Z) - 69,7

Размер (A) - 258 мм.

Размер (D) - 155 мм.

Размер (E) - 210 мм.

Размер (F) - 25,4 мм.

Размер (G) - 22 мм.

Размер (K) - 30 мм.

Размер (L) - 50

Размер (S) - 23 мм.

Болт (G) - M20

Масса - 4,57 Кг

Количество дорожек качения - 1

Уплотнение - Есть

Цены указаны ознакомительные, для уточнения цены и наличия просим связаться с нами по телефону, или отправить заявку на почту - sales@specprompodshipnik.ru или по тел.: +7(499) 369-70-54

Возврат к списку