Подшипник UCFL212 (NACHI)

Подшипник UCFL212 (NACHI)

Технические характеристики

Обозначение : UCFL212

Производитель : NACHI

Диаметр внутренний, мм : 60

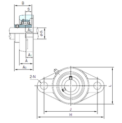
Технические данные из каталога производителя :

Внутренний диаметр (d1) - 60

Размер (A0) - 68.7

Размер (A) - 48 мм.

Размер (A1) - 20 мм.

Размер (B) - 65.1 мм.

Размер (H) - 250 мм.

Размер (J) - 202 мм.

Размер (L) - 140

Размер (L1) - 144 мм.

Размер (N) - 23 мм.

Размер (S) - 25.4 мм.

Болт (G) - M20

Размер (A2) - 29

Масса - 4.1 Кг

Количество дорожек качения - 1

Уплотнение - Есть

Цены указаны ознакомительные, для уточнения цены и наличия просим связаться с нами по телефону, или отправить заявку на почту - sales@specprompodshipnik.ru или по тел.: +7(499) 369-70-54

Возврат к списку