Подшипник UCFL212-39 (KOYO)

Подшипник UCFL212-39 (KOYO)

Технические характеристики

Обозначение : UCFL212-39

Производитель : KOYO

Диаметр внутренний, мм : 61,9125

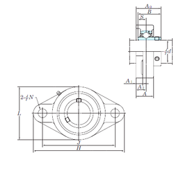
Технические данные из каталога производителя :

Внутренний диаметр (d) - 61,9125 мм.

Размер (A0) - 68,7

Размер (A) - 48 мм.

Размер (A1) - 18 мм.

Размер (B) - 65,1 мм.

Размер (H) - 250 мм.

Размер (J) - 202 мм.

Размер (L) - 140

Размер (N) - 23 мм.

Размер (S) - 25,4 мм.

Размер (A2) - 29

Масса - 4,2 Кг

Грузоподъемность статическая (C0) - 52,4 кН

Расчетный коэффициент (f0) - 36,2

Количество дорожек качения - 1

Уплотнение - Есть

Цены указаны ознакомительные, для уточнения цены и наличия просим связаться с нами по телефону, или отправить заявку на почту - sales@specprompodshipnik.ru или по тел.: +7(499) 369-70-54

Возврат к списку