Подшипник UCFL210E (KOYO)

Подшипник UCFL210E (KOYO)

Технические характеристики

Обозначение : UCFL210E

Производитель : KOYO

Диаметр внутренний, мм : 50

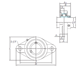
Технические данные из каталога производителя :

Внутренний диаметр (d) - 50 мм.

Размер (A0) - 54,6

Размер (A) - 40 мм.

Размер (A1) - 15 мм.

Размер (B) - 51,6 мм.

Размер (H) - 197 мм.

Размер (J) - 157 мм.

Размер (L) - 115

Размер (N) - 15 мм.

Размер (S) - 19 мм.

Размер (A2) - 22

Масса - 2,2 Кг

Грузоподъемность динамическая (C) - 35,1 кН

Грузоподъемность статическая (C0) - 23,3 кН

Расчетный коэффициент (f0) - 14,4

Количество дорожек качения - 1

Уплотнение - Есть

Цены указаны ознакомительные, для уточнения цены и наличия просим связаться с нами по телефону, или отправить заявку на почту - sales@specprompodshipnik.ru или по тел.: +7(499) 369-70-54

Возврат к списку