Подшипник UCFL209 (ISO)

Цена: 2 343 руб.

Подшипник UCFL209 (ISO)

Технические характеристики

Обозначение : UCFL209

Диаметр внутренний, мм : 45

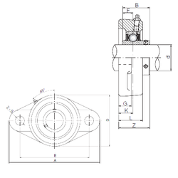
Технические данные из каталога производителя :

Внутренний диаметр (d) - 45 мм.

Ширина (высота) (B) - 49,2 мм.

Размер (Z) - 52,2

Размер (A) - 188 мм.

Размер (D) - 108 мм.

Размер (E) - 148 мм.

Размер (F) - 19 мм.

Размер (G) - 15 мм.

Размер (K) - 22 мм.

Размер (L) - 38

Размер (S) - 19 мм.

Болт (G) - M16

Масса - 1,74 Кг

Количество дорожек качения - 1

Уплотнение - Есть

Цены указаны ознакомительные, для уточнения цены и наличия просим связаться с нами по телефону, или отправить заявку на почту - sales@specprompodshipnik.ru или по тел.: +7(499) 369-70-54

Возврат к списку