Подшипник UCFL208-24E (KOYO)

Подшипник UCFL208-24E (KOYO)

Технические характеристики

Обозначение : UCFL208-24E

Производитель : KOYO

Диаметр внутренний, мм : 38,1

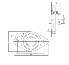
Технические данные из каталога производителя :

Внутренний диаметр (d) - 38,1 мм.

Размер (A0) - 51,2

Размер (A) - 36 мм.

Размер (A1) - 14 мм.

Размер (B) - 49,2 мм.

Размер (H) - 175 мм.

Размер (J) - 143,7 мм.

Размер (L) - 100

Размер (N) - 13 мм.

Размер (S) - 19 мм.

Размер (A2) - 21

Масса - 1,6 Кг

Грузоподъемность динамическая (C) - 29,1 кН

Грузоподъемность статическая (C0) - 17,8 кН

Расчетный коэффициент (f0) - 14

Количество дорожек качения - 1

Уплотнение - Есть

Цены указаны ознакомительные, для уточнения цены и наличия просим связаться с нами по телефону, или отправить заявку на почту - sales@specprompodshipnik.ru или по тел.: +7(499) 369-70-54

Возврат к списку