Подшипник UCFL207 (ISO)

Подшипник UCFL207 (ISO)

Технические характеристики

Обозначение : UCFL207

Диаметр внутренний, мм : 35

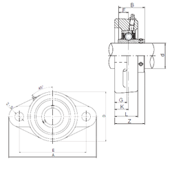
Технические данные из каталога производителя :

Внутренний диаметр (d) - 35 мм.

Ширина (высота) (B) - 42,9 мм.

Размер (Z) - 44,4

Размер (A) - 161 мм.

Размер (D) - 90 мм.

Размер (E) - 130 мм.

Размер (F) - 17,5 мм.

Размер (G) - 14 мм.

Размер (K) - 19 мм.

Размер (L) - 34

Размер (S) - 16 мм.

Болт (G) - M14

Масса - 1,08 Кг

Количество дорожек качения - 1

Уплотнение - Есть

Цены указаны ознакомительные, для уточнения цены и наличия просим связаться с нами по телефону, или отправить заявку на почту - sales@specprompodshipnik.ru или по тел.: +7(499) 369-70-54

Возврат к списку