Подшипник UCFL206 (NACHI)

Подшипник UCFL206 (NACHI)

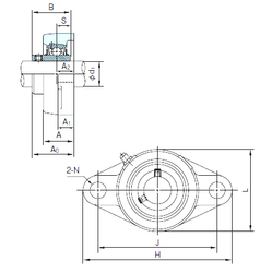
Технические характеристики

Обозначение : UCFL206

Производитель : NACHI

Диаметр внутренний, мм : 30

Технические данные из каталога производителя :

Внутренний диаметр (d1) - 30

Размер (A0) - 40.2

Размер (A) - 31 мм.

Размер (A1) - 14 мм.

Размер (B) - 38.1 мм.

Размер (H) - 148 мм.

Размер (J) - 117 мм.

Размер (L) - 80

Размер (L1) - 84 мм.

Размер (N) - 16 мм.

Размер (S) - 15.9 мм.

Болт (G) - M14

Размер (A2) - 18

Масса - 0.96 Кг

Количество дорожек качения - 1

Уплотнение - Есть

Цены указаны ознакомительные, для уточнения цены и наличия просим связаться с нами по телефону, или отправить заявку на почту - sales@specprompodshipnik.ru или по тел.: +7(499) 369-70-54

Возврат к списку