Подшипник UCFL205 (CX)

Подшипник UCFL205 (CX)

Технические характеристики

Обозначение : UCFL205

Производитель : CX

Диаметр внутренний, мм : 25

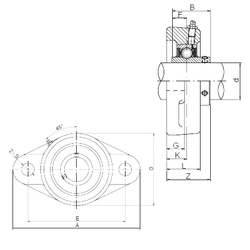
Технические данные из каталога производителя :

Внутренний диаметр (d) - 25 мм.

Ширина (высота) (B) - 34,1 мм.

Размер (Z) - 35,8

Размер (A) - 130 мм.

Размер (D) - 68 мм.

Размер (E) - 99 мм.

Размер (F) - 14,3 мм.

Размер (G) - 13 мм.

Размер (K) - 16 мм.

Размер (L) - 27

Размер (S) - 16 мм.

Болт (G) - M14

Масса - 0,58 Кг

Количество дорожек качения - 1

Уплотнение - Есть

Цены указаны ознакомительные, для уточнения цены и наличия просим связаться с нами по телефону, или отправить заявку на почту - sales@specprompodshipnik.ru или по тел.: +7(499) 369-70-54

Возврат к списку