Подшипник UCFL204 (NACHI)

Подшипник UCFL204 (NACHI)

Технические характеристики

Обозначение : UCFL204

Производитель : NACHI

Диаметр внутренний, мм : 20

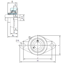
Технические данные из каталога производителя :

Внутренний диаметр (d1) - 20

Размер (A0) - 33.3

Размер (A) - 25.5 мм.

Размер (A1) - 12 мм.

Размер (B) - 31 мм.

Размер (H) - 113 мм.

Размер (J) - 90 мм.

Размер (L) - 60

Размер (L1) - 66 мм.

Размер (N) - 12 мм.

Размер (S) - 12.7 мм.

Болт (G) - M10

Размер (A2) - 15

Масса - 0.45 Кг

Количество дорожек качения - 1

Уплотнение - Есть

Цены указаны ознакомительные, для уточнения цены и наличия просим связаться с нами по телефону, или отправить заявку на почту - sales@specprompodshipnik.ru или по тел.: +7(499) 369-70-54

Возврат к списку