Подшипник UCFL204 (ISO)

Цена: 1 287 руб.

Подшипник UCFL204 (ISO)

Технические характеристики

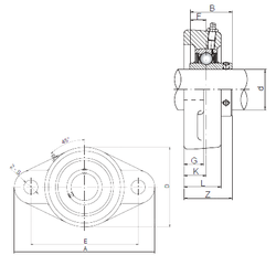
Обозначение : UCFL204

Диаметр внутренний, мм : 20

Технические данные из каталога производителя :

Внутренний диаметр (d) - 20 мм.

Ширина (высота) (B) - 31 мм.

Размер (Z) - 33,3

Размер (A) - 113 мм.

Размер (D) - 60 мм.

Размер (E) - 90 мм.

Размер (F) - 12,7 мм.

Размер (G) - 11 мм.

Размер (K) - 15 мм.

Размер (L) - 25,5

Размер (S) - 12 мм.

Болт (G) - M10

Масса - 0,41 Кг

Количество дорожек качения - 1

Уплотнение - Есть

Цены указаны ознакомительные, для уточнения цены и наличия просим связаться с нами по телефону, или отправить заявку на почту - sales@specprompodshipnik.ru или по тел.: +7(499) 369-70-54

Возврат к списку