Подшипник UCFL202-10E (KOYO)

Подшипник UCFL202-10E (KOYO)

Технические характеристики

Обозначение : UCFL202-10E

Производитель : KOYO

Диаметр внутренний, мм : 15,875

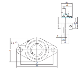
Технические данные из каталога производителя :

Внутренний диаметр (d) - 15,875 мм.

Размер (A0) - 33,3

Размер (A) - 25,5 мм.

Размер (A1) - 11 мм.

Размер (B) - 31 мм.

Размер (H) - 98 мм.

Размер (J) - 76,2 мм.

Размер (L) - 56

Размер (N) - 10 мм.

Размер (S) - 12,7 мм.

Размер (A2) - 15

Масса - 0,4 Кг

Грузоподъемность динамическая (C) - 12,8 кН

Грузоподъемность статическая (C0) - 6,65 кН

Расчетный коэффициент (f0) - 13,2

Количество дорожек качения - 1

Уплотнение - Есть

Цены указаны ознакомительные, для уточнения цены и наличия просим связаться с нами по телефону, или отправить заявку на почту - sales@specprompodshipnik.ru или по тел.: +7(499) 369-70-54

Возврат к списку