Подшипник UCFK206 (NACHI)

Подшипник UCFK206 (NACHI)

Технические характеристики

Обозначение : UCFK206

Производитель : NACHI

Диаметр внутренний, мм : 30

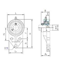
Технические данные из каталога производителя :

Внутренний диаметр (d) - 30 мм.

Размер (A0) - 40.2

Размер (A) - 31 мм.

Размер (A1) - 13 мм.

Размер (B) - 38.1 мм.

Размер (H) - 130 мм.

Размер (H1) - 55 мм.

Размер (J) - 50 мм.

Размер (L) - 78

Размер (L1) - 65 мм.

Размер (N) - 10 мм.

Размер (S) - 15.9 мм.

Болт (G) - M8

Размер (A2) - 18

Размер (J1) - 40

Размер (J2) - 29

Масса - 0.93 Кг

Количество дорожек качения - 1

Уплотнение - Есть

Цены указаны ознакомительные, для уточнения цены и наличия просим связаться с нами по телефону, или отправить заявку на почту - sales@specprompodshipnik.ru или по тел.: +7(499) 369-70-54

Возврат к списку