Подшипник UCFE216 (SNR)

Подшипник UCFE216 (SNR)

Технические характеристики

Обозначение : UCFE216

Производитель : SNR

Диаметр внутренний, мм : 80

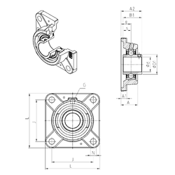
Технические данные из каталога производителя :

Внутренний диаметр (d) - 80 мм.

Размер (e) - 41,3

Размер (s) - 33,3 мм.

Размер (A) - 61 мм.

Размер (A1) - 20 мм.

Размер (B1) - 82,6 мм.

Размер (D1) - 98 мм.

Размер (J) - 153 мм.

Размер (L) - 197

Размер (N) - 23 мм.

Резьба (G) - R1/8"

Размер (A2) - 90,6

Масса - 7,1 Кг

Грузоподъемность динамическая (C) - 72,5 кН

Грузоподъемность статическая (C0) - 54,2 кН

Количество дорожек качения - 1

Уплотнение - Есть

Цены указаны ознакомительные, для уточнения цены и наличия просим связаться с нами по телефону, или отправить заявку на почту - sales@specprompodshipnik.ru или по тел.: +7(499) 369-70-54

Возврат к списку