Подшипник UCFE214 (SNR)

Подшипник UCFE214 (SNR)

Технические характеристики

Обозначение : UCFE214

Производитель : SNR

Диаметр внутренний, мм : 70

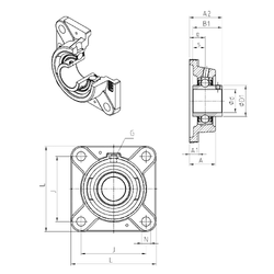
Технические данные из каталога производителя :

Внутренний диаметр (d) - 70 мм.

Размер (e) - 38

Размер (s) - 30,2 мм.

Размер (A) - 56 мм.

Размер (A1) - 18 мм.

Размер (B1) - 74,6 мм.

Размер (D1) - 86,5 мм.

Размер (J) - 150 мм.

Размер (L) - 188

Размер (N) - 18 мм.

Резьба (G) - R1/8"

Размер (A2) - 82,4

Масса - 6,2 Кг

Грузоподъемность динамическая (C) - 62 кН

Грузоподъемность статическая (C0) - 45 кН

Количество дорожек качения - 1

Уплотнение - Есть

Цены указаны ознакомительные, для уточнения цены и наличия просим связаться с нами по телефону, или отправить заявку на почту - sales@specprompodshipnik.ru или по тел.: +7(499) 369-70-54

Возврат к списку