Подшипник UCFE212 (SNR)

Подшипник UCFE212 (SNR)

Технические характеристики

Обозначение : UCFE212

Производитель : SNR

Диаметр внутренний, мм : 60

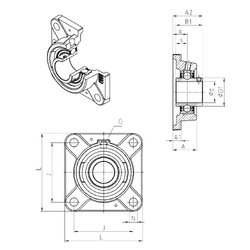
Технические данные из каталога производителя :

Внутренний диаметр (d) - 60 мм.

Размер (e) - 34

Размер (s) - 25,4 мм.

Размер (A) - 53,5 мм.

Размер (A1) - 16 мм.

Размер (B1) - 65,1 мм.

Размер (D1) - 74,9 мм.

Размер (J) - 143 мм.

Размер (L) - 175

Размер (N) - 18 мм.

Резьба (G) - R1/8"

Размер (A2) - 73,7

Масса - 4,9 Кг

Грузоподъемность динамическая (C) - 52,5 кН

Грузоподъемность статическая (C0) - 32,8 кН

Количество дорожек качения - 1

Уплотнение - Есть

Цены указаны ознакомительные, для уточнения цены и наличия просим связаться с нами по телефону, или отправить заявку на почту - sales@specprompodshipnik.ru или по тел.: +7(499) 369-70-54

Возврат к списку