Подшипник UCFE201 (SNR)

Подшипник UCFE201 (SNR)

Технические характеристики

Обозначение : UCFE201

Производитель : SNR

Диаметр внутренний, мм : 12

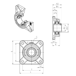
Технические данные из каталога производителя :

Внутренний диаметр (d) - 12 мм.

Размер (e) - 19

Размер (s) - 12,7 мм.

Размер (A) - 29,5 мм.

Размер (A1) - 10 мм.

Размер (B1) - 31 мм.

Размер (D1) - 29 мм.

Размер (J) - 63,5 мм.

Размер (L) - 86

Размер (N) - 11,5 мм.

Резьба (G) - R1/8"

Размер (A2) - 37,3

Масса - 0,7 Кг

Грузоподъемность динамическая (C) - 12,8 кН

Грузоподъемность статическая (C0) - 6,65 кН

Количество дорожек качения - 1

Уплотнение - Есть

Цены указаны ознакомительные, для уточнения цены и наличия просим связаться с нами по телефону, или отправить заявку на почту - sales@specprompodshipnik.ru или по тел.: +7(499) 369-70-54

Возврат к списку