Подшипник UCFCX20E (KOYO)

Подшипник UCFCX20E (KOYO)

Технические характеристики

Обозначение : UCFCX20E

Производитель : KOYO

Диаметр внутренний, мм : 100

Технические данные из каталога производителя :

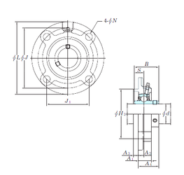
Внутренний диаметр (d) - 100 мм.

Размер (H3) - 206,375

Размер (A4) - 90,3

Размер (A1) - 66 мм.

Размер (B) - 117,5 мм.

Размер (J) - 238 мм.

Размер (L) - 276

Размер (N) - 23 мм.

Размер (S) - 49,2 мм.

Болт (G) - M20

Размер (A2) - 22

Размер (A3) - 28

Размер (J1) - 168,3

Масса - 18,2 Кг

Грузоподъемность динамическая (C) - 133 кН

Грузоподъемность статическая (C0) - 105 кН

Расчетный коэффициент (f0) - 14,4

Количество дорожек качения - 1

Уплотнение - Есть

Цены указаны ознакомительные, для уточнения цены и наличия просим связаться с нами по телефону, или отправить заявку на почту - sales@specprompodshipnik.ru или по тел.: +7(499) 369-70-54

Возврат к списку