Подшипник UCFCX18E (KOYO)

Подшипник UCFCX18E (KOYO)

Технические характеристики

Обозначение : UCFCX18E

Производитель : KOYO

Диаметр внутренний, мм : 90

Технические данные из каталога производителя :

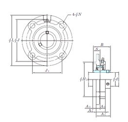
Внутренний диаметр (d) - 90 мм.

Размер (H3) - 187,325

Размер (A4) - 73,1

Размер (A1) - 43 мм.

Размер (B) - 104 мм.

Размер (J) - 219 мм.

Размер (L) - 260

Размер (N) - 23 мм.

Размер (S) - 42,9 мм.

Болт (G) - M20

Размер (A2) - 12

Размер (A3) - 28

Размер (J1) - 154,8

Масса - 13,5 Кг

Грузоподъемность динамическая (C) - 109 кН

Грузоподъемность статическая (C0) - 81,9 кН

Расчетный коэффициент (f0) - 14,4

Количество дорожек качения - 1

Уплотнение - Есть

Цены указаны ознакомительные, для уточнения цены и наличия просим связаться с нами по телефону, или отправить заявку на почту - sales@specprompodshipnik.ru или по тел.: +7(499) 369-70-54

Возврат к списку