Подшипник UCFCX17E (KOYO)

Подшипник UCFCX17E (KOYO)

Технические характеристики

Обозначение : UCFCX17E

Производитель : KOYO

Диаметр внутренний, мм : 85

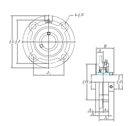
Технические данные из каталога производителя :

Внутренний диаметр (d) - 85 мм.

Размер (H3) - 187,325

Размер (A4) - 66,3

Размер (A1) - 36 мм.

Размер (B) - 96 мм.

Размер (J) - 219 мм.

Размер (L) - 260

Размер (N) - 23 мм.

Размер (S) - 39,7 мм.

Болт (G) - M20

Размер (A2) - 10

Размер (A3) - 25

Размер (J1) - 154,8

Масса - 12,9 Кг

Грузоподъемность динамическая (C) - 96,1 кН

Грузоподъемность статическая (C0) - 71,5 кН

Расчетный коэффициент (f0) - 14,5

Количество дорожек качения - 1

Уплотнение - Есть

Цены указаны ознакомительные, для уточнения цены и наличия просим связаться с нами по телефону, или отправить заявку на почту - sales@specprompodshipnik.ru или по тел.: +7(499) 369-70-54

Возврат к списку