Подшипник UCFCX15 (ISO)

Подшипник UCFCX15 (ISO)

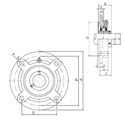
Технические характеристики

Обозначение : UCFCX15

Диаметр внутренний, мм : 75

Технические данные из каталога производителя :

Внутренний диаметр (d) - 75 мм.

Размер (P) - 190

Размер (Z) - 61,3

Размер (A) - 222 мм.

Размер (B) - 82,6 мм.

Размер (C) - 12 мм.

Размер (D) - 164 мм.

Размер (E) - 134,3 мм.

Размер (F) - 33,3 мм.

Размер (G) - 35 мм.

Размер (J) - 22 мм.

Размер (K) - 16 мм.

Размер (S) - 19 мм.

Болт (G) - M16

Масса - 8 Кг

Количество дорожек качения - 1

Уплотнение - Есть

Цены указаны ознакомительные, для уточнения цены и наличия просим связаться с нами по телефону, или отправить заявку на почту - sales@specprompodshipnik.ru или по тел.: +7(499) 369-70-54

Возврат к списку