Подшипник UCFCX15-47 (KOYO)

Подшипник UCFCX15-47 (KOYO)

Технические характеристики

Обозначение : UCFCX15-47

Производитель : KOYO

Диаметр внутренний, мм : 74,6125

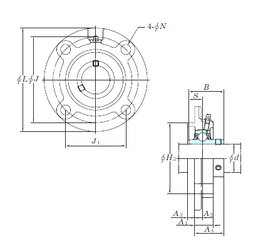
Технические данные из каталога производителя :

Внутренний диаметр (d) - 74,6125 мм.

Размер (H3) - 164

Размер (A4) - 61,3

Размер (A1) - 35 мм.

Размер (B) - 82,6 мм.

Размер (J) - 190 мм.

Размер (L) - 222

Размер (N) - 19 мм.

Размер (S) - 33,3 мм.

Болт (G) - M16

Размер (A2) - 12

Размер (A3) - 22

Размер (J1) - 134,3

Масса - 8 Кг

Грузоподъемность динамическая (C) - 72,7 кН

Грузоподъемность статическая (C0) - 53 кН

Расчетный коэффициент (f0) - 14,6

Количество дорожек качения - 1

Уплотнение - Есть

Цены указаны ознакомительные, для уточнения цены и наличия просим связаться с нами по телефону, или отправить заявку на почту - sales@specprompodshipnik.ru или по тел.: +7(499) 369-70-54

Возврат к списку