Подшипник UCFCX13 (KOYO)

Подшипник UCFCX13 (KOYO)

Технические характеристики

Обозначение : UCFCX13

Производитель : KOYO

Диаметр внутренний, мм : 65

Технические данные из каталога производителя :

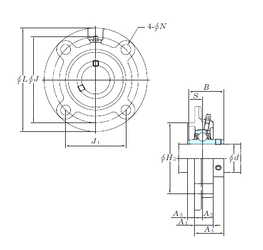
Внутренний диаметр (d) - 65 мм.

Размер (H3) - 140

Размер (A4) - 55,4

Размер (A1) - 33 мм.

Размер (B) - 74,6 мм.

Размер (J) - 165 мм.

Размер (L) - 194

Размер (N) - 16 мм.

Размер (S) - 30,2 мм.

Болт (G) - M14

Размер (A2) - 11

Размер (A3) - 20

Размер (J1) - 116,7

Масса - 5,7 Кг

Грузоподъемность динамическая (C) - 62,2 кН

Грузоподъемность статическая (C0) - 44,1 кН

Расчетный коэффициент (f0) - 14,5

Количество дорожек качения - 1

Уплотнение - Есть

Цены указаны ознакомительные, для уточнения цены и наличия просим связаться с нами по телефону, или отправить заявку на почту - sales@specprompodshipnik.ru или по тел.: +7(499) 369-70-54

Возврат к списку