Подшипник UCFCX09 (ISO)

Подшипник UCFCX09 (ISO)

Технические характеристики

Обозначение : UCFCX09

Диаметр внутренний, мм : 45

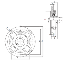
Технические данные из каталога производителя :

Внутренний диаметр (d) - 45 мм.

Размер (P) - 130

Размер (Z) - 40,6

Размер (A) - 155 мм.

Размер (B) - 51,6 мм.

Размер (C) - 8 мм.

Размер (D) - 108 мм.

Размер (E) - 91,9 мм.

Размер (F) - 19 мм.

Размер (G) - 25 мм.

Размер (J) - 12 мм.

Размер (K) - 11 мм.

Размер (S) - 14 мм.

Болт (G) - M12

Масса - 2,6 Кг

Количество дорожек качения - 1

Уплотнение - Есть

Цены указаны ознакомительные, для уточнения цены и наличия просим связаться с нами по телефону, или отправить заявку на почту - sales@specprompodshipnik.ru или по тел.: +7(499) 369-70-54

Возврат к списку