Подшипник UCFCX08-24 (KOYO)

Подшипник UCFCX08-24 (KOYO)

Технические характеристики

Обозначение : UCFCX08-24

Производитель : KOYO

Диаметр внутренний, мм : 38,1

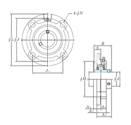
Технические данные из каталога производителя :

Внутренний диаметр (d) - 38,1 мм.

Размер (H3) - 92

Размер (A4) - 39,2

Размер (A1) - 26 мм.

Размер (B) - 49,2 мм.

Размер (J) - 111 мм.

Размер (L) - 133

Размер (N) - 12 мм.

Размер (S) - 19 мм.

Болт (G) - M10

Размер (A2) - 9

Размер (A3) - 11

Размер (J1) - 78,5

Масса - 2 Кг

Грузоподъемность динамическая (C) - 34,1 кН

Грузоподъемность статическая (C0) - 21,3 кН

Расчетный коэффициент (f0) - 14

Количество дорожек качения - 1

Уплотнение - Есть

Цены указаны ознакомительные, для уточнения цены и наличия просим связаться с нами по телефону, или отправить заявку на почту - sales@specprompodshipnik.ru или по тел.: +7(499) 369-70-54

Возврат к списку