Подшипник UCFCX07 (NACHI)

Подшипник UCFCX07 (NACHI)

Технические характеристики

Обозначение : UCFCX07

Производитель : NACHI

Диаметр внутренний, мм : 35

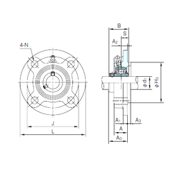
Технические данные из каталога производителя :

Внутренний диаметр (d1) - 35

Размер (H3) - 92

Размер (A0) - 39.2

Размер (A) - 26 мм.

Размер (A1) - 11 мм.

Размер (B) - 49.2 мм.

Размер (J) - 111 мм.

Размер (L) - 133

Размер (N) - 12 мм.

Размер (S) - 19 мм.

Болт (G) - M10

Размер (A2) - 9

Размер (A3) - 11

Масса - 1.8 Кг

Количество дорожек качения - 1

Уплотнение - Есть

Цены указаны ознакомительные, для уточнения цены и наличия просим связаться с нами по телефону, или отправить заявку на почту - sales@specprompodshipnik.ru или по тел.: +7(499) 369-70-54

Возврат к списку