Подшипник UCFCX05-16 (KOYO)

Подшипник UCFCX05-16 (KOYO)

Технические характеристики

Обозначение : UCFCX05-16

Производитель : KOYO

Диаметр внутренний, мм : 25,4

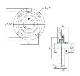
Технические данные из каталога производителя :

Внутренний диаметр (d) - 25,4 мм.

Размер (H3) - 76

Размер (A4) - 32,2

Размер (A1) - 24 мм.

Размер (B) - 38,1 мм.

Размер (J) - 92 мм.

Размер (L) - 111

Размер (N) - 9,5 мм.

Размер (S) - 15,9 мм.

Болт (G) - M8

Размер (A2) - 10

Размер (A3) - 6

Размер (J1) - 65

Масса - 1,2 Кг

Грузоподъемность динамическая (C) - 19,5 кН

Грузоподъемность статическая (C0) - 11,3 кН

Расчетный коэффициент (f0) - 13,9

Количество дорожек качения - 1

Уплотнение - Есть

Цены указаны ознакомительные, для уточнения цены и наличия просим связаться с нами по телефону, или отправить заявку на почту - sales@specprompodshipnik.ru или по тел.: +7(499) 369-70-54

Возврат к списку