Подшипник UCFC218 (NACHI)

Подшипник UCFC218 (NACHI)

Технические характеристики

Обозначение : UCFC218

Производитель : NACHI

Диаметр внутренний, мм : 90

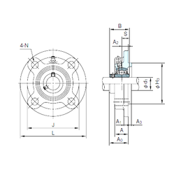
Технические данные из каталога производителя :

Внутренний диаметр (d1) - 90

Размер (H3) - 190

Размер (A0) - 78.3

Размер (A) - 50 мм.

Размер (A1) - 20 мм.

Размер (B) - 96 мм.

Размер (J) - 220 мм.

Размер (L) - 265

Размер (N) - 23 мм.

Размер (S) - 39.7 мм.

Болт (G) - M20

Размер (A2) - 22

Размер (A3) - 18

Масса - 12.7 Кг

Количество дорожек качения - 1

Уплотнение - Есть

Цены указаны ознакомительные, для уточнения цены и наличия просим связаться с нами по телефону, или отправить заявку на почту - sales@specprompodshipnik.ru или по тел.: +7(499) 369-70-54

Возврат к списку