Подшипник UCFC218-56 (KOYO)

Подшипник UCFC218-56 (KOYO)

Технические характеристики

Обозначение : UCFC218-56

Производитель : KOYO

Диаметр внутренний, мм : 88,9

Технические данные из каталога производителя :

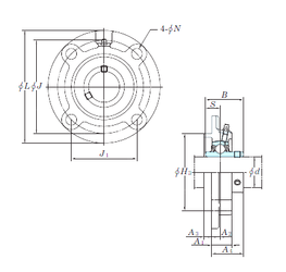
Внутренний диаметр (d) - 88,9 мм.

Размер (H3) - 190

Размер (A4) - 78,3

Размер (A1) - 50 мм.

Размер (B) - 96 мм.

Размер (J) - 220 мм.

Размер (L) - 265

Размер (N) - 23 мм.

Размер (S) - 39,7 мм.

Болт (G) - M20

Размер (A2) - 22

Размер (A3) - 18

Размер (J1) - 155,5

Масса - 13,3 Кг

Грузоподъемность динамическая (C) - 96,1 кН

Грузоподъемность статическая (C0) - 71,5 кН

Расчетный коэффициент (f0) - 14,5

Количество дорожек качения - 1

Уплотнение - Есть

Цены указаны ознакомительные, для уточнения цены и наличия просим связаться с нами по телефону, или отправить заявку на почту - sales@specprompodshipnik.ru или по тел.: +7(499) 369-70-54

Возврат к списку