Подшипник UCFC217 (CX)

Подшипник UCFC217 (CX)

Технические характеристики

Обозначение : UCFC217

Производитель : CX

Диаметр внутренний, мм : 85

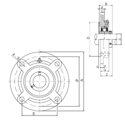
Технические данные из каталога производителя :

Внутренний диаметр (d) - 85 мм.

Размер (P) - 208

Размер (Z) - 69,6

Размер (A) - 250 мм.

Размер (B) - 85,7 мм.

Размер (C) - 18 мм.

Размер (D) - 180 мм.

Размер (E) - 147,1 мм.

Размер (F) - 34,1 мм.

Размер (G) - 45 мм.

Размер (J) - 18 мм.

Размер (K) - 20 мм.

Размер (S) - 23 мм.

Болт (G) - M20

Масса - 10,81 Кг

Количество дорожек качения - 1

Уплотнение - Есть

Цены указаны ознакомительные, для уточнения цены и наличия просим связаться с нами по телефону, или отправить заявку на почту - sales@specprompodshipnik.ru или по тел.: +7(499) 369-70-54

Возврат к списку