Подшипник UCFC217-52 (KOYO)

Подшипник UCFC217-52 (KOYO)

Технические характеристики

Обозначение : UCFC217-52

Производитель : KOYO

Диаметр внутренний, мм : 82,55

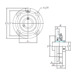
Технические данные из каталога производителя :

Внутренний диаметр (d) - 82,55 мм.

Размер (H3) - 180

Размер (A4) - 69,6

Размер (A1) - 45 мм.

Размер (B) - 85,7 мм.

Размер (J) - 208 мм.

Размер (L) - 250

Размер (N) - 23 мм.

Размер (S) - 34,1 мм.

Болт (G) - M20

Размер (A2) - 18

Размер (A3) - 18

Размер (J1) - 147,1

Масса - 10,3 Кг

Грузоподъемность динамическая (C) - 84 кН

Грузоподъемность статическая (C0) - 61,9 кН

Расчетный коэффициент (f0) - 14,5

Количество дорожек качения - 1

Уплотнение - Есть

Цены указаны ознакомительные, для уточнения цены и наличия просим связаться с нами по телефону, или отправить заявку на почту - sales@specprompodshipnik.ru или по тел.: +7(499) 369-70-54

Возврат к списку