Подшипник UCFC216 (NACHI)

Подшипник UCFC216 (NACHI)

Технические характеристики

Обозначение : UCFC216

Производитель : NACHI

Диаметр внутренний, мм : 80

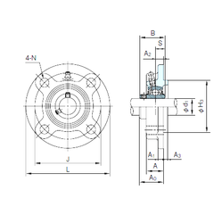
Технические данные из каталога производителя :

Внутренний диаметр (d1) - 80

Размер (H3) - 170

Размер (A0) - 67.3

Размер (A) - 42 мм.

Размер (A1) - 18 мм.

Размер (B) - 82.6 мм.

Размер (J) - 200 мм.

Размер (L) - 240

Размер (N) - 23 мм.

Размер (S) - 33.3 мм.

Болт (G) - M20

Размер (A2) - 18

Размер (A3) - 16

Масса - 9.2 Кг

Количество дорожек качения - 1

Уплотнение - Есть

Цены указаны ознакомительные, для уточнения цены и наличия просим связаться с нами по телефону, или отправить заявку на почту - sales@specprompodshipnik.ru или по тел.: +7(499) 369-70-54

Возврат к списку